产品中心
Products

产品简介
YHCB系列圆弧齿轮泵使用日本先进技术设计生产,它的突出特点是高效节能。与普通齿轮泵相比,等量液体输送,能耗更少。普通齿轮泵流量58立方/小时,压力2.8kg,使用18.5KW电机带动,而YHCBMB油泵流量60立方/小时,压力6kg,仅适用11KW电机带动。YHCB系列圆弧齿轮油泵主要适用于输送粘度在5-1500CST,温度不超过80℃,不含固体颗粒
最新资讯
YHCB系列圆弧齿轮泵使用日本先进技术设计生产,它的突出特点是高效节能。与普通齿轮泵相比,等量液体输送,能耗更少。普通齿轮泵流量58立方/小时,压力2.8kg,使用18.5KW电机带动,而YHCBMB油泵流量60立方/小时,压力6kg,仅适用11KW电机带动。
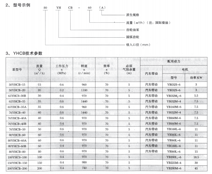
YHCB系列圆弧齿轮油泵主要适用于输送粘度在5-1500CST,温度不超过80℃,不含固体颗粒,无腐蚀性的各种液体。如汽油、煤油 柴油及机械润滑油。是一种高效节能的特殊齿轮泵,具有流量大、压力高、体积小、噪音低、自吸性能好、安装维修方便等优点,更是油罐汽车改装行业和石油部门的理想优选泵种,本产品参照JB/6434-92标准。
’注:若做酒水泵,化工原料泵用,可根据用户要求及介质实际情况选用特殊材料生产。

在线留言
扫一扫,添加微信
热线电话:
156-9026-7618
133-9371-8500
河北省沧州市南皮县刘八里乡赵监生村南
1718715098@qq.com